QR код организации
Наши менеджеры свяжутся с Вами в ближайшее время.
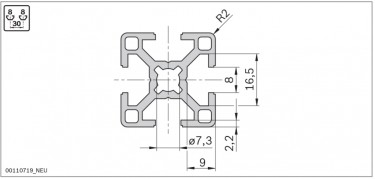
Общая информация. Несущий профиль 30 типоразмер
Несущие профили с пазом 8 мм предназначены для использования в оборудовании среднего нагрузочного диапазона, таких как тележки, легковесные приспособления, стеллажи и перегородки.
Профиль 30х60х60 может использоваться для изготовления витрин и полок. Профиль полукруглой формы позволяет изготавливать кожухи и крышки с улучшенным дизайном.
Паз, модульный размер, центральное отверстие


Обработка профиля

Минимальная длина профиля (мм) при одно- и двухсторонней стандартной обработке профиля по системе Quick & Easy
| – | M8 | D7.8 | D11/DB11 | |
| – | 50 | 50 | 50 | 50 |
| M8 | 50 | 80 | 62 | 70 |
| D7.8 | 50 | 62 | 60 | 50 |
| D8/DB8 | 50 | 50 | 50 | 60 |