QR код организации
Наши менеджеры свяжутся с Вами в ближайшее время.
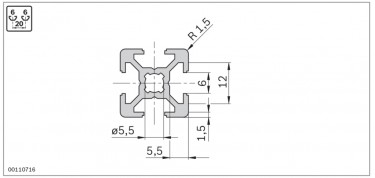
Общая информация. Несущий профиль 20 типоразмер
Несущие профили с пазом 6 мм предназначены для легковесных конструкций, таких как штативы и лабораторные приспособления.
Профили 20х40 и 20х60 особенно хорошо подходят для повышения жесткости, профиль 20х40х40 для построения витринных рам, полок и кожухов.
Паз, модульный размер, центральное отверстие


Обработка профиля


Минимальная длина профиля (мм) при одно-и двухсторонней стандартной обработке профиля по системе Quick & Easy
| – | M6 | D5.8 | D8/DB8 | |
| – | 50 | 50 | 50 | 50 |
| M6 | 50 | 70 | 50 | 70 |
| D5.8 | 50 | 50 | 50 | 50 |
| D8/DB8 | 50 | 50 | 50 | 50 |